Выключатель, головной свет HERTH+BUSS ELPARTS JAKOPARTS 70526012
|
79 грн.
завтра
|
- Производитель
- JAKOPARTS (Германия)
- Каталожный номер
- 70526012
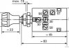
- Тип привода
- Тяговое управление
- Функции комбинированного переключателя
- С функцией переключения света
- Фиксированное положение
- 0-1-2
- Номинальное напряжение [V]
- 12
24 - Допускаемая нагрузка при 12 V
- 10 A
- Допускаемая нагрузка при 24 V
- 5 A
- Исполнение штекера
- Винтовое соединение
- Техника присоединения
- 5 x M3
- Тип сборки
- Навес
- Монтажный диаметр [мм]
- 10.5
- До толщины стенки [мм]
- 3
- SVHC
- Не содержит веществ SVHC!
Оригинальные номера
EATON:
20252700
29010100
29010200
29011100
29011200
29012122
29020200
29040800
Volvo:
349308
7350592
